■多CHモニターの用途
信州MAKERSでは、「移動するスポーツのIOT」を扱ってます。
そのために、力、変位を測定するセンサシステムを開発してます。
力は、ひずみゲージ式の6軸力覚センサなどをアプリケーションに合わせて作ってます。開発テーマは、独立した力センサではなく、被測定物に直にひずみゲージを貼って被測定物自身を多軸センサに校正してしまうというアイデアで開発してます。そのための校正システムは、校正時にリアルタイムに結果を見ながら、線形性を確認して、校正負荷方法を決めて荷重データを測定して干渉補正をするという一連の校正作業を素早くする目的で開発してます。通常6軸力覚センサの校正は、専用の校正台にとりつけて、錘を順次荷重しながら、6軸方向に組み合わせ荷重するので、何日もかかって校正する一大作業になってしまいます。それをオンデマンド自動化しようとしてます。
■LinearityモニターPgm作って予備実験
校正の予備実験で、荷重方法によるセンサ間の線形性、干渉(クロストーク)の状況をリアルタイムに把握する必要があります。
ここでは、ダミーの6分力計のFx、Fy、Fzに荷重をいれて
荷重の仕方でFx-Fy,Fx-Fz,Fy-Fzの散布図をリアルタイムで描画して、荷重方法とデータのばらつき、クロストークを観察できるようなプログラムを作ってみました。




■結果
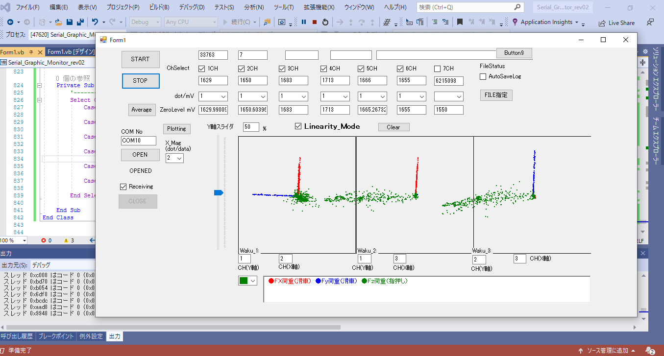
●グラフの説明
3個の散布図が並んでいて、左から1,2,3番グラフです。
それぞれの縦軸(Y軸)と横軸(X軸)に
各CHを割り付けて、散布図を描画できるようになってます。スタート前に
全CHをゼロレベルに平均値を測定して差し引いた状態にして、散布図の中央点から描画開始になります。線形性があれば、直線になるので、荷重をしながら、プロットを観察します。負荷実験ごとに色を変えられるようになっています。
●今回の設定
赤線:Fx荷重で、滑車の糸を引っ張る方法で荷重をいれてます。
青線:Fy荷重で、滑車の糸を引っ張る方法で荷重をいれてます。
緑線:Fz荷重で、指で鉛直方向の押してますが、FxFy成分も入ってしまいます。
①単独CHの同じ力をいれての出力確認
グラフ1:X軸:1CH(Fx)Y軸:1CH(Fx)
グラフ2:X軸:2CH(Fy)Y軸:2CH(Fy)
グラフ3:X軸:3CH(Fz)Y軸:3CH(Fz)

Fx方向だけに荷重していれば、赤は左の1グラフにしかでません。
しかし、Fz荷重を指でいれた場合緑点が1,2のグラフに見えてますのでFz荷重にFx,Fy成分が入ってしまっているということが分かります
指荷重だと摩擦力が効いて、FxFyが発生し易いのだと理解してます。
②CH間干渉
グラフ1:X軸:2CH(Fy)Y軸:1CH(Fx)
グラフ2:X軸:3CH(Fz)Y軸:1CH(Fx)
グラフ3:X軸:3CH(Fz)Y軸:2CH(Fy)

1)グラフ1でFy-Fxなので赤のFx荷重時は赤線でまっすぐ上に伸びてますが傾いているので、荷重方向に角度がついてFy成分がでていると思います。青線のFy荷重でも傾いてますが、赤線と青線は直角に見えますので
負荷方向は直角がでていて、センサ取り付け位置が傾いていることがわかります。
2)緑線Fz荷重は、指押しなのでブレまくっていて点とか線になりません
これほど指の荷重って、あやふやだとは思いませんでした。触覚を測定するセンサが多分力センサでないといけない理由だと理解しました。
●プログラム
ソリューションを添付しておきます。
汎用性がないので、改造用にお使いください。
Serial_Graphic_Monitor_rev02
FORM1のコードは、GISTにアップしてあります
https://gist.github.com/dj1711572002/9e5cc580920dbbe19ef1c441adfd7b1b
●以後
VB.NET学習も、実験に使えるプログラムが作れるようになってきましたので、テーマをVBでなく多分力ロードセルのほうに移して更新していきます。




